Description
NOTE: Basin, Mixers And Mirror Not Included
Color : Coastal Oak
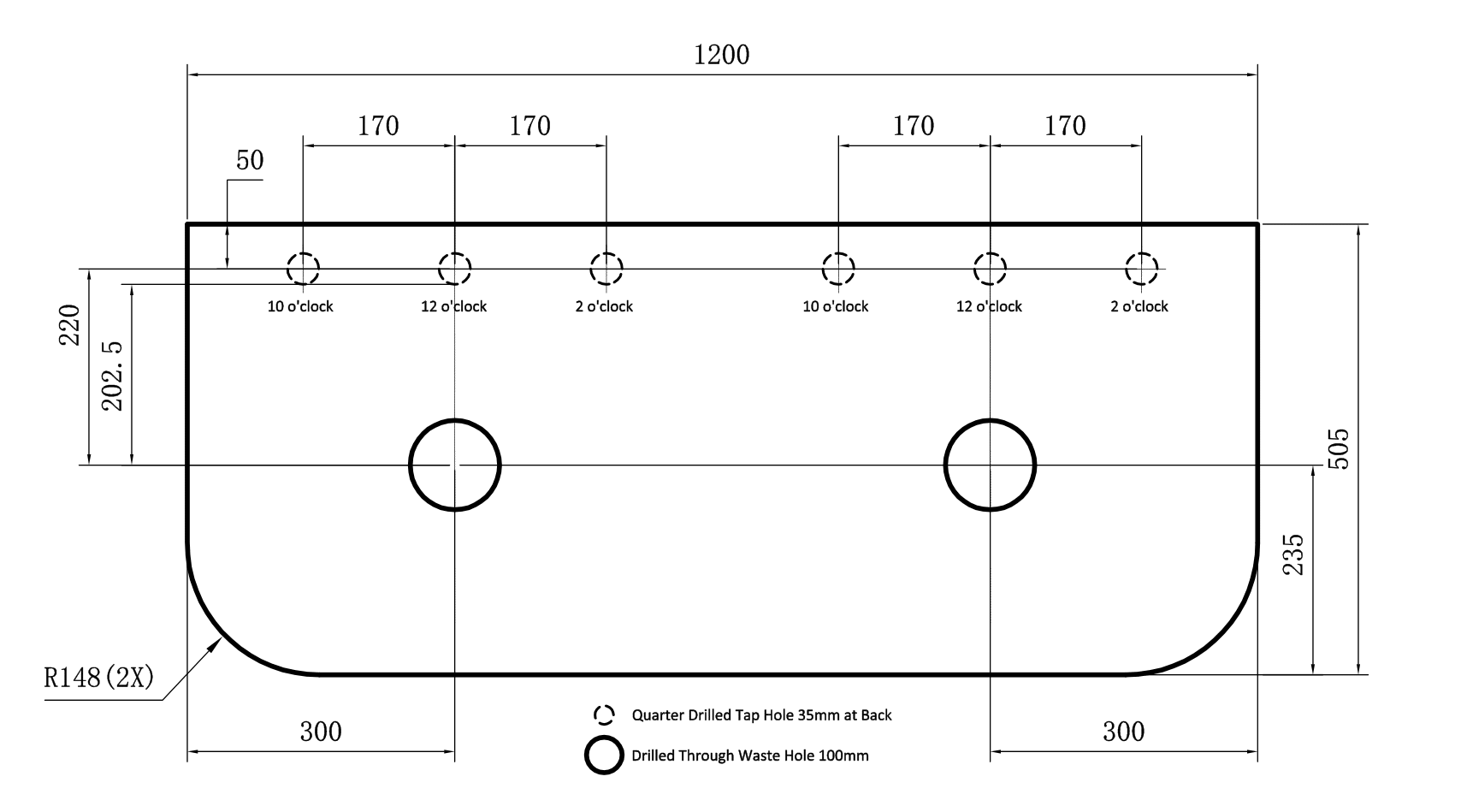
Dimensions:
- Length: 1184 mm
- Width: 493 mm
- Height: 347 mm
Material: Woodgrain Thermolaminated V-Groove
Drawer Mechanism: Push-to-open drawer
Stone Top Options:
- Solid Surface
Tap Hole Configurations: No hole | Center
Optional Accessories:
- Box Trap & Space Saver Kit (40 mm)
Specification Sheets: Fill out the form and email to sales@designtiles.com.au
- Vanity: [Click here]
- Vanity Top: Single | Double
Stone Top Order Form: [Click here Fill out the form and email to sales@designtiles.com.au
Add a touch of elegance and functionality to your bathroom with these wall-hung cabinets, available in stunning Coastal Oak or Prime Oak finishes. The thermolaminated V-Groove design ensures durability and style, while the push-to-open drawer adds modern convenience. Choose from a selection of luxurious stone tops to complete your custom look.
Warranty
Please Note: This Vaniy excludes basin and bowl, shower All measurements are in millimeters and subject to change without notice. Please allow +/- 10mm tolerance for manufacturing variance.





















